Рассмотрены особенности современных водооборотных систем охлаждения технологического оборудования с помощью вентиляторных градирен. Проанализированы факторы, влияющие на стабильность, надёжность и эффективность работы градирни. Предложены рациональные схемотехнические и алгоритмические средства автоматизации. Представлены результаты моделирования и внедрения автоматизированных вентиляторных градирен.
Особенности
АВТОМАТИЗАЦИИ СОВРЕМЕННЫХ ВОДООБОРОТНЫХ СИСТЕМ С ГРАДИРНЯМИ
Компанией ООО «Интермодуль» в 20042006 годах по заказу разных организаций и предприятий были реализованы проекты по разработке электрооборудования и автоматизации нескольких новых трёхсекционных вентиляторных градирен.
В общем случае водооборотные системы, применяемые в горнодобывающей, нефтеперерабатывающей, стекольной, химической промышленности, машиностроении, металлургии и других отраслях, включают в себя (рис. 1):

Условные обозначения: АД — асинхронный двигатель; ПЧ — преобразователь частоты; ШКУ — шкаф контакторного управления.
Рис. 1. Функциональная схема водооборотной системы
Для повышения эффективности технологического процесса охлаждения воды и обеспечения энергосбережения в периоды пониженной нагрузки на охладительные установки целесообразно внедрение автоматизированных систем управления технологическими процессами (АСУ ТП) водооборотных циклов. Автоматизация технологического процесса охлаждения воды может быть:
Для визуализации технологического процесса используются SCADAсистемы с функциями диагностики состояния оборудования и технологического процесса, что помогает своевременно осуществлять профилактические ремонты и замену оборудования, снижать риск возникновения нештатных и аварийных режимов работы и повышать надёжность системы.
Полная автоматизация технологического процесса охлаждения воды предполагает:
Сбор данных и архивирование параметров процесса происходит на сервере сбора данных, расположенном в операторной объекта. Сервер сбора данных имеет избыточные вычислительные мощности и ресурсы информационных накопителей и позволяет хранить параметры технологического процесса в течение нескольких лет.
Полная автоматизация технологического процесса связана с реализацией функций регулирования, мониторинга, диагностики и управления. Она позволяет не только добиться высоких показателей эффективности производства охлажденной воды и снизить затраты электроэнергии, но и увеличить срок службы оборудования и повысить безопасность технологического процесса.
Аппаратные средства
АВТОМАТИЗАЦИИ ВЕНТИЛЯТОРНЫХ ГРАДИРЕН
В качестве примера рассмотрим проект автоматизированной вентиляторной градирни одного из горнодобывающих предприятий России производительностью 1000 куб. м/ч и с тремя секциями площадью 144 кв. м. Она относится к классу градирен с противотоком и предназначена для охлаждения технологической (промоборотной) воды, которая в результате нагрева имеет температуру в диапазоне tг = 30...40°C, до стабильной температуры tо = 28°С в условиях воздействия различных возмущений. К этим возмущениям относятся метеорологические факторы: температура и влажность воздуха, ветер, атмосферное давление и прочие, — и фактор технологические: изменения подачи (производительности) циркуляционных насосов и температуры горячей воды (или температурного перепада входной/выходной воды).
Наибольшее влияние на процесс охлаждения оказывают значения четырёх параметров: перепада температур горячей/охлаждённой воды
(
= 2...12°C), температуры окружающего воздуха
(
= 5...35°С), его влажности
(
= 50…100%) и подачи насоса Q. Так как скорость вращения вентилятора
задаётся в условиях одновременного случайного изменения всех параметров, для получения стабильной температуры охлаждённой воды необходимо:
1) теплообмен падающих распылённых капель горячей воды со встречным потоком воздуха, имеющего температуру окружающей среды;
2) испарение, связанное с фазовым переходом воды в парообразное состояние при массовом её разбрызгивании и принудительной вентиляции.
Для получения стабильной температуры охлаждённой воды система автоматизации вентиляторной градирни имеет:
Функциональная схема автоматизированного управления технологическим процессом охлаждения воды в вентиляторной градирне показана на рис. 2.

Рис. 2. Функциональная схема автоматизации вентиляторной градирни
Преобразователь частоты для асинхронных двигателей на базе Altivar38 позволяет реализовать энергоэкономичный закон скалярного регулирования скорости электропривода ПЧАД (преобразователь частоты — асинхронный двигатель) с вентиляторной нагрузкой. При этом снижение скорости вентилятора градирни относительно номинального значения 180,5 об./мин сопровождается квадратичным снижением момента нагрузки и кубическим уменьшением потребляемой мощности. Это повышает техникоэкономическую эффективность и сокращает срок окупаемости ПЧ и компьютерной системы регулирования до 0,5...1,5 лет.
Вторым важным фактором, обеспечивающим техникоэкономический эффект применения частотного регулирования скорости вентилятора, является стабилизация главного выходного параметра градирни — температуры охлаждённой воды — на уровне 28°С. Как правило, строгое соблюдение параметров основного технологического процесса позволяет повысить производительность и качество выпускаемой продукции. Поэтому программная реализация пропорционально-интегрального регулятора (ПИР) САР корректирующего контура обратной связи главного технологического параметра to = const имеет большое практическое значение.
Немаловажное значение имеет повышение надёжности и долговечности работы двигателей, редукторов и другого механического оборудования. Это достигается за счёт непрерывной диагностики элементов электрооборудования средствами ПЧ и промышленного компьютера (ПК), прогнозирования неисправностей в фоновом режиме, формирования оптимальных динамических режимов.
Реализация тахограмм «мягкого» пуска, торможения и перехода на новые скорости при минимальной кратности токов АД благоприятно сказывается на старении изоляции обмоток двигателя, его тепловом состоянии, а ограничение больших динамических моментов приводит к отсутствию напряжений и ударов в механических передачах (длинных валах, редукторах и лопастях вентилятора). К тому же становится возможной работа вентилятора в зоне помпажа и снижается вероятность рециркуляции воздуха (затягивание влажного воздуха обратно в воздухозаборные жалюзи градирни).
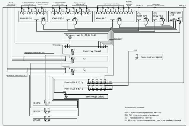
Наконец, координация работы всех локальных систем технологического процесса и обмен между ними информацией в рамках АСУ ТП второго уровня в среде Ethernet позволяет оптимизировать и инициализировать функционирование всего производственного процесса с единого диспетчерского поста, принципиальная схема которого показана рис. 3.

Рис. 3. Принципиальная схема единого диспетчерского поста, координирующего взаимодействие локальных систем АСУ ТП
Кроме того, системой автоматизации выполняются следующие функции:
Применяемые модули семейства ADAM являются изделиями фирмы Advantech.
В проекте приняты к установке два ПК, один из которых является основным, второй — резервным, работающим в режиме постоянного включения и сопровождения программы управления («горячий» резерв).
Аппаратура автоматизации, устанавливаемая в помещении операторной, комплектуется в стандартный девятнадцатидюймовый шкаф TS8 фирмы Rittal (рис. 4). В этом же помещении размещается стол оператора, на котором устанавливаются мониторы, принтер, клавиатуры и манипуляторы.

Рис. 4. Общий вид шкафа системы автоматизации вентиляторной градирни
Для подключения термопреобразователей сопротивления предусмотрены кабели типа МКЭШ, локальная сеть Ethernet выполняется кабелем типа витая пара категории 5.
Алгоритмическое и программное
ОБЕСПЕЧЕНИЕ РАБОТЫ ВЕНТИЛЯТОРНОЙ ГРАДИРНИ
Для стабилизации температуры охлаждённой воды на уровне 28°С и построения системы автоматического регулирования скорости вращения вентилятора градирни найдена аналитическая модель процесса охлаждения воды в градирне с учётом всех возмущений. В результате можно воспроизводить аналитически и моделировать на компьютере в среде MatLab все динамические процессы градирни до реализации алгоритмов на объекте.
В связи с ярко выраженным случайным (стохастическим) характером возмущений — метеофакторов и напора насосов — аналитическую модель можно получить путём статистической обработки большого массива экспериментальных данных. Подобные регрессионные модели, а также алгоритмы управления электроприводом ПЧАД вентилятора и стабилизации температуры охлаждённой воды по командам ПК можно реализовать на основе схемы, представленной на рис. 5, и модели преобразования сигналов в контуре САР (рис. 6). Для этого необходимо получить параметры aj линейной модели вида:
![]()
которые определяют путём статистической обработки экспериментальных данных (число замеров 50100).

Рис. 5. Преобразование сигналов в системе управления скоростью вентилятора градирни

Рис. 6. Модель преобразования сигналов в замкнутой системе управления скоростью электропривода вентиляторной градирни
Однако, судя по представленным на рис. 7 зависимостям
, практически все такого рода характеристики являются нелинейными, близкими по виду к функциям у = xn при n>1. Поэтому подобную регрессионную модель и алгоритм управления представляем в виде:
,
где A — коэффициент пропорциональности; a, b, c, d, g — показатели интенсивности каждого из возмущающих воздействий, включая помехи и неучтённые атмосферные возмущения е (интенсивность и направление ветра, суточные изменения давления, наличие и характер осадков).

Рис. 7. Экспериментальные зависимости, характеризующие охлаждающие возможности градирни
В зависимости от конкретных требований к точности задания скорости вентилятора и поддержания стабильной температуры охлаждённой воды используются либо линеаризованные (точность до 10%), либо нелинейные регрессионные алгоритмы. Во втором случае точность определяется совокупной точностью датчиков и коэффициентов в расчётном уравнении.
КОМПЬЮТЕРНОЕ МОДЕЛИРОВАНИЕ
Анализ и проверку адекватности взаимодействия разработанных аппаратных и программных средств АСУ ТП водооборотной системы с вентиляторными градирнями целесообразно проводить путём компьютерного моделирования в среде MatLab 6.5 и физического макетирования системы малой мощности. Моделирование технологических процессов производилось в пакете Simulink. Параметры каналов управления ПЧАД и обратной связи по температуре воды соответствовали проектным значениям (рис. 8, условные обозначения на схеме являются общепринятыми в выбранной среде моделирования). Для имитации действия возмущений на саму градирню в систему были введены два функциональных блока преобразований, обеспечивающих приращение к температуре воды при изменении метеорологических и технологических условий испарительного охлаждения в вентиляторной градирне.

Рис. 8. Структурная схема модели САР водооборотной системы, учитывающей действия метеорологических возмущений (моделирование в среде MatLab 6.5)
Получен достаточный объём наглядных результатов, подтверждающих корректность реализации данного проекта. Например, на рис. 9 приведены временные диаграммы переходных процессов при линейном и ступенчатом изменении возмущений, действующих на водооборотную систему с вентиляторными градирнями. Данные результаты в совокупности с исследованиями на макете электропривода мощностью 300 Вт позволяют подтвердить эффективность и адекватность разработанного проекта.

Рис. 9. Полученные посредством моделирования временные диаграммы переходных процессов при изменениях возмущений, действующих на водооборотную систему с вентиляторными градирнями
Заключение
Вентиляторные градирни являются центральным и важнейшим звеном технологической цепи отвода тепла в водооборотных системах предприятий, так как путём испарения и теплообмена с атмосферным воздухом они позволяют снизить температуру воды до требуемых значений. Важно и то, что, изменяя скорость вращения вентилятора градирни, можно регулировать выходные параметры водооборота в зависимости от сезонных, метеорологических и технологических изменений большого числа факторов.
При высоких требованиях к статической точности стабилизации главного технологического параметра — температуры охлаждённой воды — необходимо оптимизировать соответствующие регуляторы АСУ ТП с учётом нескольких видов возмущений и возможности реализации принципа декомпозиции при синтезе САР В рассмотренном проекте разработана универсальная автоматизированная система регулирования температуры охлаждённой воды через управление электроприводом вентиляторной градирни. На основе теории вероятностей и методов математической статистики разработана совокупность регрессионных алгоритмов для адекватного задания скорости вращения ПЧАД вентилятора градирни, позволяющая точно учесть влияние всех критичных видов возмущений. Кроме того, разработана и синтезирована замкнутая автоматизированная система стабилизации температуры охлаждённой воды на базе управления электроприводом ПЧАД, инвариантная к действию всех основных метеорологических и технологических возмущений.
Средства автоматизированного управления электроприводом вентилятора градирни позволяют оптимизировать режимы энергосбережения, мониторинга и диагностики работы водооборотной системы и интегрировать её в АСУ ТП всего производства.
Николай Киянов, Олег Крюков, Сергей Лопатников, Андрей Смирнов, Дмитрий Прибытков
Источник информации: http://www.cta.ru/cms/f/352122.pdf