|
Каталог Ангара Габаритные размеры градирен с осевыми вентиляторами |
Компания «Ангара» специализируется на производстве мокрых и сухих градирен с радиальным и осевым расположением вентиляторов, а также агрегатов с закрытыми установками, не позволяющими воде контактировать с охлаждающим воздухом. Такая конструкция сохраняет объем воды в системе и регулирует ее температуру, а также имеет высокий КПД, позволяющий заменять им массивное оборудование. Вся продукция моделируется и тщательно тестируется в компьютерной 3D оболочке, как детали отдельно, так и собранный агрегат. Производительность холода градирен от 16,5 кВт до 1388,4 кВт.

Градирни с радиальными вентиляторами

Процесс охлаждения в градирнях с радиальным расположением вентиляторов осуществляется теплопередачей во время противоточного контакта воды с воздухом. Мощность таких градирен 105,2-1388,4 кВт.
Радиальные вентиляторы нагнетают воздух без шума и вибрации, работают с помощью электродвигателя с питанием 3Ф/380В/50Гц. Корпус и вентиляторы изготавливаются из листовой оцинкованной стали, что препятствует появлению коррозии.
Поплавок находится в нижней части агрегата, наблюдать за его положением и внутренней частью позволяет эксплуатационный люк.
Накопитель изготавливается из негорючего пластика, что увеличивает поверхность, на которой контактируют воздух и вода. Каплеотбойник (элиминатор) поддерживает постоянный уровень воды внутри градирни.
|
Модель |
Номинальная |
Номинальный |
KB |
Количество |
Электро-двигатель |
Объем встроенной |
Вес (кг) |
|
|
Пустой |
Полный |
|||||||
|
ERRK 18 |
105,2 |
18,1 |
2,62 |
1 |
(2,2) х 1 |
390 |
365 |
755 |
|
ERRK 24 |
142,0 |
24,4 |
3,53 |
1 |
(2,2) х 1 |
470 |
415 |
885 |
|
ERRK 30 |
173,8 |
29,9 |
4,32 |
1 |
(3) х 1 |
390 |
420 |
810 |
|
ERRK 43 |
252,3 |
43,4 |
6,29 |
2 |
(5,5) х 1 |
780 |
665 |
1445 |
|
ERRK 60 |
374,1 |
59,7 |
8,65 |
2 |
(5,5) х 1 |
1015 |
775 |
1790 |
|
ERRK 73 |
426,2 |
73,3 |
10,62 |
3 |
(4+2,2) х 1 |
1170 |
980 |
2150 |
|
ERRK 82 |
473,8 |
81,5 |
11,80 |
3 |
(4+2,2) х 1 |
1520 |
1060 |
2580 |
|
ERRK 98 |
568,0 |
97,7 |
14,14 |
4 |
(4) х 2 |
1570 |
1210 |
2780 |
|
ERRK 120 |
694,2 |
119,4 |
17,31 |
4 |
(5,5) х 2 |
2030 |
1380 |
3410 |
|
ERRK 146 |
852,3 |
146,6 |
21,24 |
6 |
(4+2,2) х 2 |
2340 |
1960 |
4300 |
|
ERRK 163 |
947,7 |
163,0 |
23,60 |
6 |
(4+2,2) х 2 |
3040 |
2120 |
5160 |
|
ERRK 195 |
1136,0 |
195,4 |
28,28 |
8 |
(4) х 4 |
3140 |
2420 |
5560 |
|
ERRK 240 |
1388,4 |
238,8 |
34,62 |
8 |
(4) х 4 |
4060 |
2760 |
6820 |
Номинальная производительность приведена при условии температура воды на входе/выходе 35/30 С, температура мокрого термометра 25 С.
Конструкция

1. Корпус
2. Транспортное крепление
3. Радиальный вентилятор
4. Электродвигатель
5. Эксплуатационный люк
6. Пластиковый накопитель
7. Каплеотбойник (элиминатор)
8. Выход водяной линии и фильтр
9. Вход водяной линии
10. Подпитка
Габаритные размеры

|
Модель |
ERRK 18 |
ERRK 24 |
ERRK 30 |
ERRK 43 |
ERRK 60 |
ERRK 73 |
ERRK 82 |
ERRK 98 |
ERRK 120 |
ERRK 146 |
ERRK 163 |
ERRK 195 |
ERRK 240 |
|
A |
1105 |
1105 |
1105 |
2130 |
2130 |
3155 |
3155 |
4180 |
4180 |
3155 |
3155 |
4180 |
4180 |
|
B |
1650 |
1965 |
1765 |
1765 |
2065 |
1765 |
2065 |
1765 |
2065 |
3430 |
4030 |
3430 |
4030 |
|
C |
1950 |
1950 |
2410 |
2420 |
2420 |
2420 |
2420 |
2440 |
2440 |
2420 |
2420 |
2440 |
2440 |
|
D |
1100 |
1300 |
1100 |
1100 |
1400 |
1100 |
1400 |
1100 |
1400 |
2200 |
2800 |
2200 |
2800 |
|
E |
180 |
180 |
200 |
200 |
200 |
230 |
230 |
275 |
275 |
230 |
230 |
275 |
275 |
|
F |
1530 |
1530 |
1970 |
1980 |
1980 |
1950 |
1950 |
1925 |
1925 |
1950 |
1950 |
1925 |
1925 |
|
Вход |
DN80 |
DN80 |
DN100 |
DN100 |
DN100 |
DN125 |
DN125 |
DN150 |
DN150 |
2x |
2x |
2x |
2x |
|
Выход |
DN100 |
DN100 |
DN125 |
DN125 |
DN125 |
DN150 |
DN150 |
DN200 |
DN200 |
2x |
2x |
2x |
2x |
|
Под- |
1/2" |
1/2" |
3/4" |
3/4" |
3/4" |
1" |
1" |
1 1/4" |
1 1/4" |
2 x 1" |
2 x 1" |
2 x 1 1/4" |
2 x 1 1/4" |
Градирни с осевыми вентиляторами

Мощность осевых градирен 27000-700000 ккал/ч. Для изготовления корпуса используется листовая сталь, внутри он оцинковывается, снаружи покрывается эпоксидной краской. Резервуар равномерно подает воду в пластиковый наполнитель, оптимизирует циркуляцию воды и обеспечивают бесперебойную работу насоса. Чтобы увеличить поверхность контактирования воды с воздухом, наполнитель изготавливается из негорючего материала.
Вентилятор вращается прямым приводом или ременной передачей, питание электродвигателя 3Ф/380В/50Гц. Лопасти вентиляторы защищаются от попадания посторонних предметов защитной нержавеющей решеткой.
Аэродинамику воздушного потока обеспечивает диффузор. Поплавок располагается в нижней части агрегата, что поддерживает нужный уровень воды.
Общие характеристики
|
Модель |
Расход воды (м3/ч) |
Вес (кг) |
Вентиляторы |
Двигатель (кВт) |
Напор |
|||
|
мин. |
макс. |
пустой |
полный |
Диаметр (мм) |
Обороты |
|||
|
Ангара 13 |
2,8 |
4,6 |
120 |
225 |
460 |
1390 |
0,37 |
1080 |
|
Ангара 15 |
4,2 |
6,8 |
135 |
230 |
460 |
1390 |
0,37 |
1430 |
|
Ангара 17 |
5,1 |
8,2 |
160 |
310 |
560 |
1380 |
1,1 |
1520 |
|
Ангара 19 |
8,9 |
14,5 |
196 |
355 |
560 |
1120 |
1,1 |
2140 |
|
Ангара 21 |
9,6 |
18,2 |
305 |
544 |
760 |
820 |
1,1 |
1680 |
|
Ангара 23 |
12,5 |
23,5 |
353 |
726 |
910 |
620 |
1,1 |
1710 |
|
Ангара 25 |
16 |
24,9 |
356 |
728 |
910 |
780 |
2,2 |
1760 |
|
Ангара 27 |
20,7 |
39,5 |
41,5 |
814 |
910 |
780 |
2,2 |
2460 |
|
Ангара 29 |
23,7 |
45,2 |
490 |
914 |
910 |
780 |
2,2 |
2600 |
|
Ангара 31 |
28,9 |
57,9 |
608 |
1155 |
1220 |
550 |
2,2 |
2580 |
|
Ангара 33 |
38 |
76,6 |
611 |
1190 |
1220 |
645 |
4 |
2580 |
|
Ангара 35 |
45,5 |
91 |
842 |
1760 |
1220 |
660 |
5,5 |
2600 |
|
Ангара 37 |
59,6 |
119,2 |
1170 |
2495 |
1220 |
635 |
5,5 |
2760 |
|
Ангара 150 |
68 |
136 |
1392 |
3260 |
1500 |
660 |
7,5 |
3680 |
|
Ангара 175 |
80 |
160 |
1590 |
3850 |
1500 |
630 |
7,5 |
3800 |
Конструкция и габаритные размеры

1. Корпус
2. Емкость для сбора воды
3. Распределительная емкость
4. Пластиковый наполнитель
5. Каплеотбойник (элиминатор)
6. Электродвигатель
7. Осевой вентилятор
8. Диффузор
9. Входной патрубок
10. Воздухозаборная
11. Линия подпитки
Градирни с закрытым водяным контуром

Градирни данного типа необходимы, чтобы охлаждать горячую воду. Она охлаждается воздухом и водой, распыляемой на внешнюю часть змеевика. Температура соответствует показаниям мокрого термометра. Трубы производятся из меди или стали, обработанной методом горячей гальванизации.
Вода циркулирует по замкнутому кругу, что предотвращает ее потери. При работе допускается использование хладоносителей, т.к. температура охлажденной воды на три градуса выше, чем у градирен с открытым контуром.
Аксиальные вентиляторы работают с помощью отдельного привода. При изготовлении корпуса используют листовую сталь, каплеотбойника и коллектора-распылителя - несгораемый ПВХ.
Горячая вода попадает в градирню, течет через змеевик. Из бака градирни воду подают в коллектор-распределитель, где ее разбрызгивают на змеевик и смешивают с воздухом из вентиляторов. Вода в змеевике охлаждается обдуванием воздушно-водяной смесью и выходит охлажденная. Выходящий наружу воздух попадает в каплеотбойник.
Устанавливают такие градирни на крышах зданий или на улице.
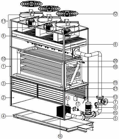
Конструкция

1. Корпус
2. Бак
3. Жалюзи забора воздуха
4. Рама
5. Насос
6. Манометр
7. Регулирующий вентиль
8. Коллектор-распылитель
9. Каплеотбойник
10. Змеевик
11. Вентилятор
12. Защита вентилятора
13. Поплавок
14. Патрубок переполнения
15. Труба переполнения
16. Фильтр
17. Подогреватель с термостатом
18. Вход воды в змеевик
19. Выход воды из змеевика
20. Выпуск воздуха из змеевика
21. Слив воды из змеевика
Драйкулер Ангара

Сухие градирни Ангара, драйкулеры, используются для охлаждения больших площадей. Такие агрегаты обладают повышенной экономичностью за счет минимального потребления энергии, работают с повышенным объемом воды, этилен- и пропиленгликоля. Потери теплоносителя стремятся к нулю за счет отсутствия контакта с воздухом, температура охлаждаемой жидкости снижается практически до атмосферной. Драйкулер работает на разнице температур атмосферного воздуха и поступающей горячей воды, энергия уходит только на нагнетание воздуха и доставку воды, которая охлаждается естественным путем. Объем жидкости не уменьшается, т.к. система замкнута.
Конструкция драйкулера состоит из теплообменника, насоса, который доставляет в него жидкость, вентиляторов и управляющих регуляторов. В зависимости от необходимой мощности и условий эксплуатации, агрегат может быть горизонтальным, вертикальным или v-образным. Гладкая и оптимизированная ламель позволяет минимизировать загрязнение окружающей среды.
Драйкулеры с замкнутым контуром и сухим теплообменом используются при необходимости охлаждения большого количества воды с точной регулировкой температуры, и отсутствия влияния на окружающую атмосферу в виде повышенной влажности, загазованности или уровня шума. Наибольшую актуальность такие агрегаты приобретают в жилых массивах, офисных зданиях.